Позиционные датчики
Аксессуары для позиционного выключателя
EC002594
Выключатель аварийной остановки (с тросовым приводом)
EC002033
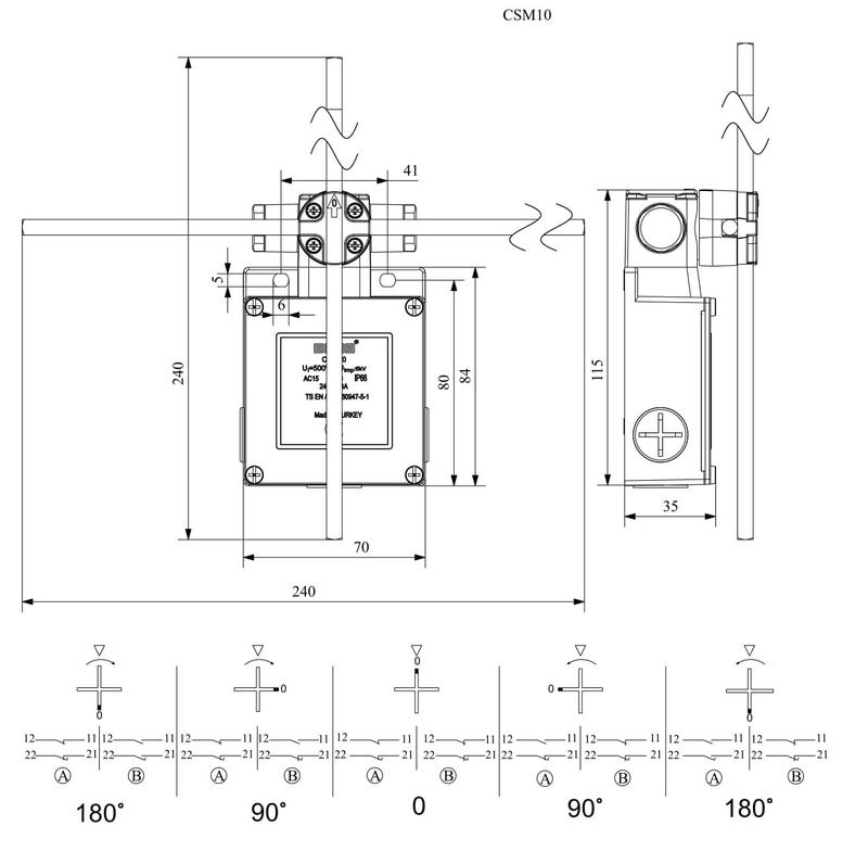
Выключатель концевой
EC000030
Датчик положения магнитный
EC002544
Датчик угловых перемещений
EC001486
Позиционный выключатель с отдельным приводом
EC002592
Позиционный выключатель с петлей
EC002591
Поплавковый выключатель
EC001484
Привод для позиционного переключателя с раздельным приводом
EC001487
Приводная головка для позиционного переключателя/переключателя с шарниром
EC001483